產品展示
PRODUCTS
產品分類
瀏覽量:
1000
產品描述
參數
一、用途
本系列截斷閥為氧氣專用閥門,采用先進的雙閥板、雙密封、中腔放散結構,取代截止閥和盲板。適用于制氧機低壓氧氣管網系統中作截流和密封用。
二、主要性能參數
公稱壓力:≤1.0MPa
殼體試驗壓力:1.5MPa
密封試驗壓力:1.1MPa
適用溫度:≤120℃
適用介質:氧氣、氮氣等
三、結構說明和主要特點
1、本截斷閥采用雙閥板、雙密封結構,配中腔放散閥,確保零泄漏。
2、雙偏心密封付結構,雙密封和雙向密封,無相對摩擦,使用壽命更長。
3、限位機構可靠,開度指示直觀醒目。
四、執行標準
1、設計制造符合GB12238的規定。
2、結構長度符合GB122221的規定。
3、法蘭連接尺寸符合GB9115的規定。
4、安全技術符合GB16912的有關規定。
5、脫脂規范符合HGJ202的規定。
6、檢驗與試驗按GB/T13927的規定。
五、主要零件材料
|
名稱
|
閥體
|
閥軸
|
密封圈、填料
|
|
材料
|
硅黃銅
|
不銹鋼
|
F-4
|
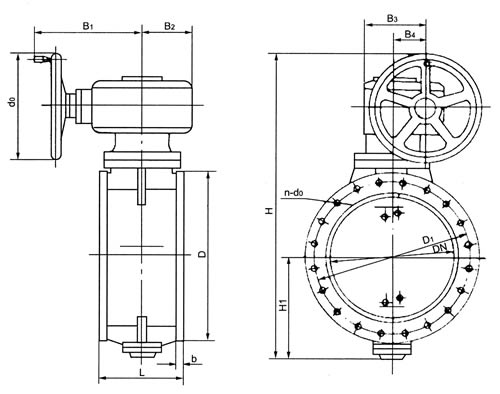
六、結構簡圖


未找到相應參數組,請于后臺屬性模板中添加
上一個
無
下一個
無
相關產品
Copyright ? 2021:啟東百盛冶金設備有限公司 蘇ICP備17058008號-1 網站建設:中企動力 南通
0513-83632180
留言