產品展示
PRODUCTS
產品分類
瀏覽量:
1000
產品描述
參數
一、結構型式:
本消聲器內部結構獨特。
管道煤氣經調壓閥組所產生的噪聲是比較大的。通常煤氣調壓閥消聲器都設計成龐然大物,投入成本高,消聲效果不理想。
我公司科技人員經多年考察、研究和攻關,吸收國外技術,并多次結合中冶南方武漢設計院、中冶京誠北鋼院、首鋼設計院及邯鋼技術開發部等科技人員的技術指導,對消聲器內部結構加于修改、創新,改變了傳統的消聲結構,研制成特種波浪形復合式結構的消聲器,經現場使用,吸聲效果特別好。
本消聲器已申請國內專利,專利號:2008 20031267
二、適用范圍:
主要用于降低管道煤氣調壓閥組所產生的噪聲。適用爐容2000~5500M3的高爐煤氣管道。
三、主要技術參數:
適用壓力:0.02~0.25MPa ≥0.25MPa屬特殊設計;適用溫度:≤250℃;消聲量:≥30dB(A)
四、安裝方式:臥式安裝
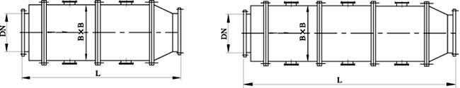
五、型號、規格、外形尺寸(見表1、圖1)
|
型 號
|
DN
|
L
|
B×B
|
適用風量M3/h
|
|
BS-MQII-1
|
1200
|
4800
|
1800×1800
|
20000~36000
|
|
BS-MQII-2
|
1400
|
5000
|
2000×2000
|
28000~60000
|
|
BS-MQII-3
|
1600
|
5200
|
2200×2200
|
50000~82000
|
|
BS-MQII-4
|
1800
|
5600
|
2500×2500
|
68000~110000
|
|
BS-MQII-5
|
2000
|
6000
|
2800×2800
|
100000~180000
|
|
BS-MQII-6
|
2200
|
6400
|
3000×3000
|
120000~320000
|
|
BS-MQII-7
|
2400
|
6800
|
3200×3200
|
250000~480000
|
|
BS-MQII-8
|
2800
|
7200
|
3600×3600
|
320000~580000
|
|
BS-MQII-9
|
3200
|
12000
|
4600×6000
|
520000~880000
|
|
BS-MQII-10
|
3800
|
15000
|
4600×72000
|
750000~1000000
|
說明:消聲器外形尺寸和結構長度據用戶要求設計,圖表尺寸僅供參考。
六、外形示意圖

未找到相應參數組,請于后臺屬性模板中添加
相關產品
Copyright ? 2021:啟東百盛冶金設備有限公司 蘇ICP備17058008號-1 網站建設:中企動力 南通
0513-83632180
留言